Профиль Профиль FOLED-50-CEIL-SIDE-2000 (Arlight, Алюминий)
Артикул: 035770

Серия
FOLEDБренд
АрлайтМощность, Вт
54
Все характеристики
7 427 ₽
Запросить коммерческое предложение
Характеристики модификации Профиль Профиль FOLED-50-CEIL-SIDE-2000 (Arlight, Алюминий)
Серия
FOLEDМощность, Вт
54
Материал корпуса светильника
Алюминий
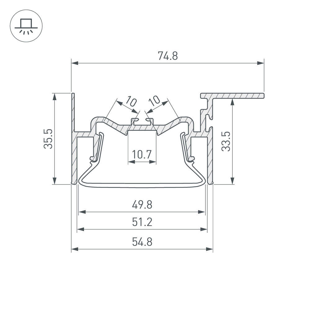
Высота
36
Тип продукции
Профиль
Способ монтажа
Встраиваемый со скрытым фланцем
Модельный ряд
FOLED
Форма (сечение)
-
Назначение
Для натяжных потолков
Ширина площадки
10 мм
Кратность цены за 1 м/шт
1
Цвет покрытия
Серебристый
Индивидуальная покраска
Возможна
Внешний вид поверхности
Глянцевая
КПД профиля (cветовой)
89 %
Рассеиваемая тепловая мощность на 1м
max: 53.81 W
Ширина световой линии
49.8 мм
Покрытие поверхности
Без покрытия
Глубина установки источника света
21 мм
Модель экрана
D50F
Совместимый тип полотна
ПВХ плёнка
Система фиксации полотна
Гарпунная
Длина
2000
Ширина
75













